- Регулирование температуры приточного воздуха
- Электрический калорифер мощностью до 48 кВт
- Возможность подключение частотного регулятора
Щиты управления с электрическими нагревателями
Типоразмерный ряд
|
Наименование щита |
Вентилятор, кВт |
Нагреватель, кВт |
Максимальный рабочий ток, А |
Размеры щита, мм, IP66 |
|
ЩУ6-1,5-30 |
1,5 |
30 |
57 |
500х600х200 |
|
ЩУ6-1,5-36 |
1,5 |
36 |
67 |
500х600х200 |
|
ЩУ6-2,2-42 |
2,2 |
42 |
78 |
500х600х200 |
|
ЩУ6-2,2-48 |
2,2 |
48 |
88 |
500х600х200 |
|
Наименование щита |
Вентилятор, кВт |
Нагреватель, кВт |
Максимальный рабочий ток, А |
Частотный регулятор |
Размеры щита, мм, IP66 |
|
ЩУ6-1,5-30/Р |
1,5 |
30 |
57 |
ATV212HU15N4 |
600х800х250 |
|
ЩУ6-1,5-36/Р |
1,5 |
36 |
67 |
ATV212HU15N4 |
600х800х250 |
|
ЩУ6-2,2-42/Р |
2,2 |
42 |
78 |
ATV212HU22N4 |
600х800х250 |
|
ЩУ6-2,2-48/Р |
2,2 |
48 |
88 |
ATV212HU22N4 |
600х800х250 |


|
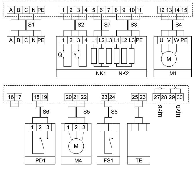
Щит управления |
Обозначение кабеля |
Тип кабеля |
|
ЩУ6-1,5-30 ЩУ6-1,5-30/Р ЩУ6-1,5-36 ЩУ6-1,5-36/Р |
S1 |
ВВГ 5х16 |
|
ЩУ6-2,2-42 ЩУ6-2,2-42/Р ЩУ6-2,2-48 ЩУ6-2,2-48/Р |
S1 |
ВВГ 5х25 |
|
Для всех ЩУ6 |
S2 S3 S4 S5 S6 S7 |
МКЭШ 4х0,75 ВВГ 4х10 ВВГ 4х1,5 МКЭШ 3х0,75 МКЭШ 2х0,75 ВВГ 3х10 |
Поддержка
Каталог Системы вентиляции
Получить наиболее подробную
информацию о продукции Вы всегда
можете в нашем каталоге.
Единый прайс-лист
В нашем прайс-листе вы найдете
самые актуальные цены на всю
предлагаемую нами продукцию.
Сертификаты на продукцию
Вся продукция завода полностью
сертифицирована и прошла все
необходимые испытания.