ПРЕИМУЩЕСТВА
- Компактная конструкция.
- Медно-алюминиевый радиатор.
- Оцинкованный стальной корпус.
Канальный водяной
нагреватель (прямоугольного сечения)
Типоразмерный ряд

|
Обозначение |
toС воды на входе/ выходе |
toС воздуха на входе/ выходе |
Расход воздуха, м3/ч |
Падение давления воздуха, Па |
Падение давления теплоносителя, кПа |
Мощность, кВт |
Площадь теплообмена, м2 |
Расход воды, кг/ч |
Внутренний объем, л |
|
ВНП 60-35/2 |
90/70 |
-30/14 |
2200 |
55 |
6,0 |
39 |
6,7 |
1667 |
1,2 |
|
-20/21 |
2200 |
53 |
5,0 |
34 |
6,7 |
1475 |
1,2 |
||
|
-10/27 |
2200 |
50 |
4,0 |
30 |
6,7 |
1292 |
1,2 |
||
|
ВНП 60-35/3 |
90/70 |
-30/30 |
2200 |
78 |
16,0 |
53 |
10,1 |
2282 |
1,8 |
|
-20/35 |
2200 |
75 |
13,0 |
47 |
10,1 |
2020 |
1,8 |
||
|
-10/41 |
2200 |
72 |
10,3 |
41 |
10,1 |
1771 |
1,8 |
||
|
ВНП 60-35/4 |
90/70 |
-30/43 |
2200 |
101 |
31,0 |
64 |
13,4 |
2763 |
2,4 |
|
-20/47 |
2200 |
97 |
24,6 |
57 |
13,4 |
2445 |
2,4 |
||
|
-10/51 |
2200 |
93 |
19,4 |
50 |
13,4 |
2144 |
2,4 |
|
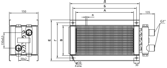
Обозначение |
Размер сечения |
Шаг (n), мм |
Количество контуров |
Габариты и размер |
Масса кг R=2 |
Масса кг R=3 |
Масса кг R=4 |
||||
|
А, мм |
В, мм |
Е, мм |
Д, мм |
Б, мм |
Г, мм |
||||||
|
ВНП 60-35 |
500 |
350 |
2.5 |
7 |
392 |
642 |
621 |
371 |
6,16 |
8,19 |
10,2 |

Поддержка
Каталог Системы вентиляции
Получить наиболее подробную
информацию о продукции Вы всегда
можете в нашем каталоге.
Единый прайс-лист
В нашем прайс-листе вы найдете
самые актуальные цены на всю
предлагаемую нами продукцию.
Сертификаты на продукцию
Вся продукция завода полностью
сертифицирована и прошла все
необходимые испытания.