ПРЕИМУЩЕСТВА
- Компактная конструкция.
- Медно-алюминиевый радиатор.
- Оцинкованный стальной корпус.
Канальный водяной
нагреватель (прямоугольного сечения)
Типоразмерный ряд

|
Обозначение |
toС воды на входе/ выходе |
toС воздуха на входе/ выходе |
Расход воздуха, м3/ч |
Падение давления воздуха, Па |
Падение давления теплоносителя, кПа |
Мощность, кВт |
Площадь теплообмена, м2 |
Расход воды, кг/ч |
Внутренний объем, л |
|
ВНП 60-30/2 |
90/70 |
-30/14 |
1900 |
56 |
6,0 |
34 |
5,8 |
1437 |
1,03 |
|
-20/20 |
1900 |
54 |
5,0 |
30 |
5,8 |
1281 |
1,03 |
||
|
-10/27 |
1900 |
51 |
4,0 |
26 |
5,8 |
1113 |
1,03 |
||
|
ВНП 60-30/3 |
90/70 |
-30/30 |
1900 |
79 |
16,4 |
46 |
8,6 |
1966 |
1,54 |
|
-20/35 |
1900 |
77 |
13,4 |
41 |
8,6 |
1754 |
1,54 |
||
|
-10/40 |
1900 |
73 |
10,0 |
36 |
8,6 |
1526 |
1,54 |
||
|
ВНП 60-30/4 |
90/70 |
-30/43 |
1900 |
103 |
31,0 |
56 |
11,5 |
2381 |
2,05 |
|
-20/47 |
1900 |
98 |
24,8 |
49 |
11,5 |
2108 |
2,05 |
||
|
-10/51 |
1900 |
94 |
19,6 |
43 |
11,5 |
1848 |
2,05 |
|
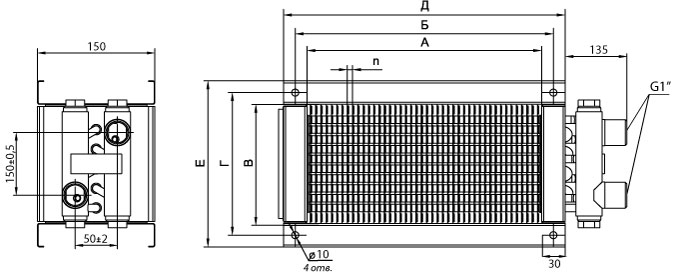
Обозначение |
Размер сечения |
Шаг (n), мм |
Количество контуров |
Габариты и размер |
Масса кг R=2 |
Масса кг R=3 |
Масса кг R=4 |
||||
|
А, мм |
В, мм |
Е, мм |
Д, мм |
Б, мм |
Г, мм |
||||||
|
ВНП 60-30 |
500 |
300 |
2.5 |
6 |
342 |
642 |
621 |
321 |
5,34 |
7,13 |
8,92 |

Поддержка
Каталог Системы вентиляции
Получить наиболее подробную
информацию о продукции Вы всегда
можете в нашем каталоге.
Единый прайс-лист
В нашем прайс-листе вы найдете
самые актуальные цены на всю
предлагаемую нами продукцию.
Сертификаты на продукцию
Вся продукция завода полностью
сертифицирована и прошла все
необходимые испытания.