- Пластмассовый корпус IP65, минимальные размеры
- Активная защита от замерзания теплоносителя
- Возможность подключения частотного регулятора
Щиты управления
Типоразмерный ряд
|
Наименование щита |
Вентилятор, кВт |
Максимальный рабочий ток вентилятора, А |
Частотный регулятор скорости |
Размеры щита, мм, IP65 |
|
ЩУТ1-7,5 (220) |
7,5 |
15,6 |
ATV212HU75N4 |
448х460х156 |
|
ЩУТ1-11 (380) |
11 |
22 |
ATV212HD11N4 |
448х460х156 |
|
ЩУТ1-15 (380) |
15 |
29 |
ATV212HD15N4 |
448х460х156 |


|
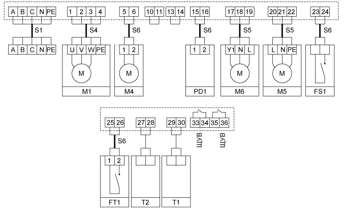
Щит управления |
Обозначение кабеля |
Тип кабеля |
|
ЩУТ1-7,5 |
S1 S4 |
ВВГ 5х2,5 ВВГ 4х2,5 |
|
ЩУТ1-11 |
S1 S4 |
ВВГ 5х4 ВВГ 4х2,5 |
|
ЩУТ1-15 |
S1 S4 |
ВВГ 5х6 ВВГ 4х6 |
|
Для всех щитов |
S5 S6 |
МКЭШ 3х0,75 МКЭШ 2х0,75 |
Поддержка
Каталог Системы вентиляции
Получить наиболее подробную
информацию о продукции Вы всегда
можете в нашем каталоге.
Единый прайс-лист
В нашем прайс-листе вы найдете
самые актуальные цены на всю
предлагаемую нами продукцию.
Сертификаты на продукцию
Вся продукция завода полностью
сертифицирована и прошла все
необходимые испытания.